SM7001L,18GHz 微波开关模块,自锁、带信号终结器
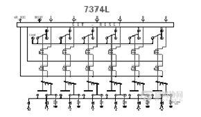
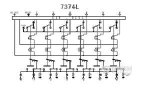
SM7001L为SMIP IITM家族中的一员,其具有高密度、模块化以及节约成本的特点。在一个SM7001L微波开关基板上最多可安装4个18GHz微波带自锁、自带终结器1×6微波开关子模块。为了驱动其它RF/微波部件设备,SM7001L同时提供了32路SPST继电器开关。SM7001L模块占用两个VXI C尺寸插槽。7374L微波开关子模块可非常方便地从前面安装或拔出,可快速进行安装或维护。
每通道最大功率:<40W @ 18GHz; <100W@3GHz
开关时间:< 15mS
RF阻抗:50Ω
连接端子:SMA
订货信息:
SM7001L 双槽微波开关基板模块(可安装最多4个微波开关子模块)
SM 7374L SP6T 18GHz微波开关,自锁、带信号终结器
